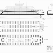
“42 m double ended yolcu teknesi” | |
Endaze Project No : | EP208 |
Name : | - |
Shipyard : | - |
Owner : | - |
Classification : | - |
Main Dimensions | |
Length : | 41,99 m |
Breadth : | 9,25 m |
Depth : | 3,50 m |
Draught : | 2,10 m |
Speed : | 13 Knot |
Propulsion : | 2 x propeller |
Hull Material : | - |
S.S. Material : | - |
Main Engine Power : | 2 x 330 kw |
Aux. Generator : | 2 x 75 kw |
Other : | 706 passenger, 3 crew |
Scope | |
Conceptual | ENDAZE |
Consulting | ENDAZE |
Basic Design | • |
Structural Detailed Design | • |
Machinery and Piping Detailed Design | • |
Engineering Calculations | • |
Production | • |
Links | |








